NYP型齒輪泵外形及安裝尺寸
※ 性能曲線圖
※ 結構型式(如圖一)
(1)工作原理 |
|
(圖一) |
![]() |
1.前蓋 2.內轉子 3.泵體 4.外轉子 5.滑動軸承或滾動軸承 6.填料密封或機械密封 7.主軸 8.托架 |
※ 泵頭外形尺寸圖
NYP0.78泵頭外形尺寸
![]() |
NYP2.3泵頭外形尺寸
![]() |
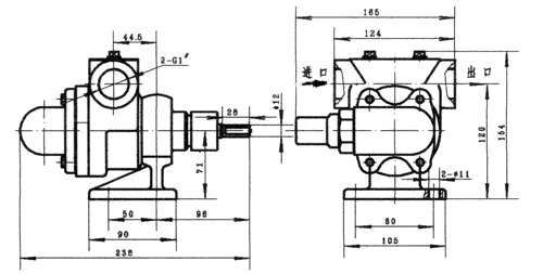
NYP7.0(A),NYP52(A)泵頭外形尺寸
![]() |
泵型號 |
理論排量 L/100r |
A | B | C | D | E | F | G | H | I | Q | N | P | Z | 口徑 |
NYP7.0A (原NYP3A) |
7.0 | 80 | 31 | 90 | 154 | 413 | 140 | 172 | 100 | 190 | 127 | 43 | 19 | 13 | M48×2 |
NYP52A (原NYP10A) |
52 | 120 | 30 | 130 | 200 | 580 | 200 | 240 | 160 | 290 | 180 | 57 | 30 | 18 | M60×2 |
NYP7.0A (原NYP3A) |
7.0 | 58 | 16 | 99 | 147 | 375 | 140 | 172 | 88 | 178 | 90 | 43 | 19 | 13 | G11/2" |
NYP52A (原NYP10A) |
52 | 70 | 17 | 95 | 257 | 523 | 204 | 235 | 140 | 270 | 102 | 57 | 30 | 15 | G2" |
NYP3.6,NYP24,NYP80,NYP111(A),NYP727泵頭外形尺寸
![]() |
型號
|
理論排量
L/100r |
A
|
B
|
C
|
D
|
E
|
F
|
G
|
H
|
I
|
J
|
K
|
L
|
N
|
P
|
Q
|
S
|
Z
|
ZNYP3.6
|
3.6
|
80
|
31
|
89
|
154
|
398
|
140
|
172
|
100
|
220
|
40
|
84
|
110
|
43
|
19
|
127
|
4-φ18
|
13
|
NYP24
|
24
|
120
|
30
|
94
|
196
|
518
|
200
|
240
|
160
|
320
|
50
|
125
|
165
|
57
|
30
|
180
|
4-φ18
|
18
|
NYP80
|
80
|
170
|
27.5
|
138.5
|
183.5
|
592
|
220
|
255
|
180
|
390
|
80
|
160
|
200
|
75
|
42
|
225
|
8-φ18
|
15
|
NYP111
(原NYP30A) |
111
|
170
|
25
|
142
|
188
|
616
|
220
|
255
|
180
|
390
|
80
|
160
|
200
|
58
|
40
|
225
|
8-φ18
|
15
|
NYP111
(原NYP30A) |
111
|
340
|
30
|
3
|
198
|
688
|
220
|
280
|
220
|
430
|
80
|
160
|
200
|
75
|
42
|
420
|
8-φ18
|
20
|
NYP320
|
320
|
340
|
35
|
120.5
|
268
|
849
|
330
|
400
|
260
|
520
|
125
|
210
|
250
|
120
|
65
|
410
|
8-φ18
|
22
|
NYP727
(原NYP50A) |
727
|
410
|
40
|
170
|
260
|
1060
|
370
|
450
|
360
|
680
|
150
|
240
|
285
|
120
|
80
|
530
|
8-φ18
|
22
|
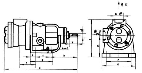
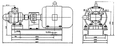
※ 整機外形與安裝尺寸
(1)與電機直聯(lián)配焊接底座
NYP0.78配Y90S(Y8021)電機
![]() |
NYP2.3配Y90S電機
![]() |
![]() |
型號
|
L
|
L1
|
L2
|
L3
|
L4
|
H
|
H1
|
H2
|
B
|
B1
|
B2
|
B3
|
D
|
4-D1
|
配套電機
|
|
型號
|
功率
|
|||||||||||||||
NYP7.0
|
913
|
85
|
399
|
600
|
164
|
365
|
182
|
272
|
385
|
225
|
335
|
90
|
G11/2"
|
φ22
|
Y132S-6
|
3kw
|
NYP7.0A
|
905
|
72
|
439
|
636
|
1275
|
390
|
207
|
297
|
396
|
248
|
346
|
90
|
M48×2
|
φ22
|
Y132S-6
|
3kw
|
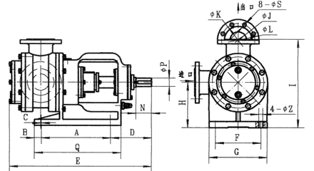
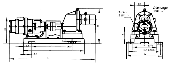
![]() |
|
型號 |
流量m3/h | L | L1 | L2 | H | H1 | H2 | H3 | B | B1 | B2 | B3 | B4 | D1 | D2 | D3 |
NYP7.0A | 1.5 | 918 | 104 | 605 | 425 | 237 | 242 | 327 | 475 | 414 | 310 | 266 | 266 | M48×2 | M48×2 | φ20 |
2 | 918 | 104 | 605 | 425 | 210 | 242 | 300 | 475 | 414 | 310 | 266 | 266 | M48×2 | M48×2 | φ20 | |
NYP52A | 8 | 1030 | 135 | 602 | 505 | 280 | 280 | 410 | 605 | 580 | 516 | 324 | 444 | M60×2 | M60×2 | φ22 |
10 | 1030 | 135 | 602 | 505 | 280 | 280 | 410 | 605 | 580 | 516 | 324 | 444 | M60×2 | M60×2 | φ22 | |
12 | 1030 | 135 | 602 | 505 | 280 | 280 | 410 | 605 | 580 | 516 | 324 | 444 | M60×2 | M60×2 | φ22 |
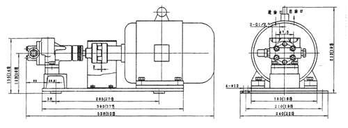
![]() |
型號 |
L | L1 | L2 | L3 | L4 | H | H1 | H2 | B | B1 | B2 | B3 | D | D1 | Decelerator | ||
型號 |
功率KW |
轉速r/min | |||||||||||||||
NYP7.0 | 1028 | 91 | 384 | 590 | 115 | 327 | 253 | 163 | 270 | 225 | 225 | 90 | G11/2" | φ20 | YCJ71 | 3 | 583 |
455 | |||||||||||||||||
NYP52 | 1361 | 67 | 576 | 790 | 130 | 480 | 355 | 225 | 400 | 308 | 340 | 130 | G2" | φ22 | YCJ112 | 7.5 | 228 |
1351 | 67 | 576 | 790 | 130 | 533 | 355 | 225 | 400 | 308 | 340 | 130 | G2" | φ22 | YCJ100 | 7.5 | 303 | |
357 | |||||||||||||||||
1436 | 67 | 576 | 790 | 130 | 533 | 355 | 225 | 400 | 308 | 340 | 130 | G2" | φ22 | YCJ100 | 11 | 475 | |
NYP111 | 1500 | 154 | 558 | 890 | 227 | 585 | 495 | 285 | 525 | 385 | 475 | 210 | φ80 | φ22 | YCJ112 | 15 | 305 |
417 | |||||||||||||||||
479 | |||||||||||||||||
NYP727 | 2423 | 200 | 950 | 1259 | 330 | 825 | 935 | 615 | 580 | 520 | 520 | 320 | φ150 | φ28 | YCJ315 | 37 | 128 |
NYP3.6 | 1050 | 91 | 384 | 590 | 131 | 339 | 265 | 175 | 270 | 225 | 225 | 90 | φ40 | φ20 | YCJ71 | 2.2 | 587 |
NYP7.0A | 1066 | 91 | 384 | 590 | 131 | 339 | 265 | 175 | 270 | 225 | 225 | 90 | M48×2 | φ22 | YCJ71 | 3 | 583 |
455 | |||||||||||||||||
NYP24 | 1250 | 111 | 540 | 815 | 190 | 490 | 365 | 235 | 476 | 326 | 426 | 130 | φ50 | φ22 | YCJ100 | 4 | 226 |
NYP52 | 1480 | 111 | 540 | 815 | 190 | 543 | 365 | 235 | 476 | 326 | 426 | 130 | M60×2 | φ22 | YCJ112 | 7.5 | 228 |
1489 | 111 | 540 | 815 | 190 | 490 | 365 | 235 | 476 | 326 | 426 | 130 | M60×2 | φ22 | YCJ100 | 7.5 | 303 | |
357 | |||||||||||||||||
1574 | 111 | 540 | 815 | 190 | 490 | 365 | 235 | 476 | 326 | 426 | 130 | M60×2 | φ22 | YCJ100 | 11 | 475 | |
NYP80 | 1654 | 154 | 558 | 890 | 223.5 | 618 | 495 | 285 | 525 | 385 | 475 | 210 | φ80 | φ22 | YCJ112 | 15 | 479 |
NYP111A | 1750 | 240 | 654 | 1076 | 173 | 625 | 527 | 317 | 508 | 378 | 458 | 210 | φ80 | φ22 | YCJ122 | 15 | 305 |
417 | |||||||||||||||||
479 |
。1)介質的潤滑性、清潔度、腐蝕性。
。2)介質的粘稠度、溫度。
(3)泵進口壓力及出口壓力,安裝高度。
。4)使用場合的防爆要求。
。5)訂貨時請注明泵型號,設計使用壓力,轉速,介質粘度,溫度,電機防爆級別,介質名稱。
。6)對于本樣本所列以外的特別工況條件,可按用戶要求單獨設計供貨。
本樣本所列條款如有變動,恕不另行通知。